| 起源の場所: | 中国 |
| ブランド名: | OEM |
| 証明: | CE;ISO |
| 最小注文数量: | 交渉可能 |
|---|---|
| 価格: | Negotiable |
| パッケージの詳細: | カートンによるStardardの輸出パッキング |
| 受渡し時間: | 5-10Days |
| 支払条件: | L/C、T/T、ウェスタン・ユニオン |
| 供給の能力: | 1ヶ月あたりの20,000 PC |
| 製品名: | 圧力センサー | 圧力範囲: | 0~100/700kPa |
|---|---|---|---|
| 電源: | 5Vか3.3V | 出力信号: | 0.5-4.5V (または0.2-2.7またはカスタマイズされる) |
| 正確さ: | 1% | 圧力タイプ: | 絶対 |
| 測定された媒体: | 空気ガスか液体 | 償われた臨時雇用者。: | 0-60 ' C |
| 貯蔵の臨時雇用者。: | -40 | 150' C | 積み過ぎ圧力: | 2X |
| ハイライト: | 5V atmospheric pressure transmitter,Amplified atmospheric pressure transducer,700kPa sensor atmospheric pressure |
||
特徴
適用
自動車電子工学分野のため、タイヤ空気圧のメートルのような、車pump.etc。
バロメーターのため、高度計、真空圧力measurement.etc。
圧力メートルか圧力コントローラー等のため。
パフォーマンス パラメータ
他に特に規定がなければ、測定は25%~85%から及ぶ25±1℃および湿気の温度の5 Vdcの供給電圧と取られました。
| 項目 | データ | 単位 |
| 電源 | 5か3.3 | V |
| 圧力範囲 | 0~100/350/700 | kPA |
| 出力信号 | 0.5-4.5 (または習慣によって) | V |
| 正確さ | ±1.0 | %Span |
|
ゼロTemp.Coefficient |
±0.03 | %FS/℃ |
|
スパンTemp.Coefficient |
±0.03 | %FS/℃ |
| 長期にわたる安定性(1year) | ±0.5 | %Span |
| 圧力に | 2X (≥500kPa) | Reted |
| 補償の臨時雇用者。 | 0 | 60/32~ 140 | ℃/℉ |
| 包囲された臨時雇用者。 | -10 | 85/14 | 185 | ℃/℉ |
| 貯蔵の臨時雇用者。 | -40 | 150/-40 | 302 | ℃/℉ |
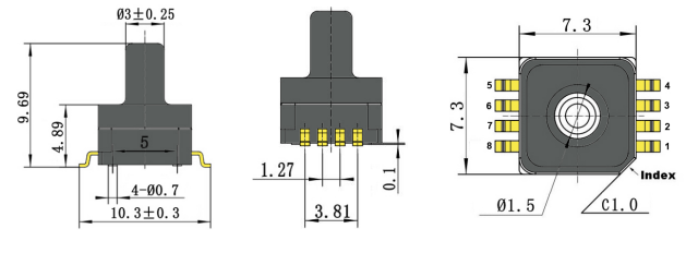
Dimension&Eletricの関係(単位:mm/Inch)

PIN定義
|
1 |
3 |
7 |
2,4,5,6,8 |
|
出力 |
Power+ |
GND |
N/C |
注:
1つのN/Cピンは浮遊を残っていなければなりません
2、鉛ピンのはんだ付けすること:250'最高5秒のC。
3つは、VDDとGND間の0.1ufコンデンサーを加えます。
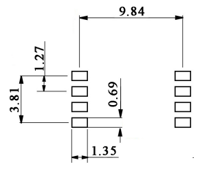
推薦された足跡

上記の足跡のレイアウトは退潮か手動にはんだ付けすることによってパソコン ボードとセンサー ピン間の適切なはんだ付けする関係インターフェイスを時プロセス保障します。
ノート
1.はんだ付けすることおよびアセンブリの間にESDの保護を実行して下さい。
2.電圧(6.5Vdc)に積み過ぎれば流れ(5mA)はASICを燃やすかもしれません。
3。 媒体は加圧部品と互換性があなければなりません。
4. 変数および適用の特別な要求のための私達に連絡して下さい